扬州市广祥电子有限公司官方网站欢迎你!
关于我们
|
联系我们
13952517873
网站首页
Index
关于我们
About
产品展示
Product
压电无源蜂鸣器
压电有源蜂鸣器
电磁无源蜂鸣器
电磁有源蜂鸣器
报警器
电感
变压器
有源引线蜂鸣器
企业文化
Culture
厂区一览
Factories
新闻中心
News
公司新闻
行业新闻
联系我们
Contact
栏目导航
产品展示
压电无源蜂鸣器
压电有源蜂鸣器
电磁无源蜂鸣器
电磁有源蜂鸣器
报警器
电感
变压器
有源引线蜂鸣器
推荐产品
蜂鸣器价格
蜂鸣器价格
蜂鸣器价格
联系我们
服务热线
13952517873
地址:中国江苏扬州小纪镇人民路7号
当前位置:
主页
> >
产品中心
>
电磁无源蜂鸣器
>
电磁无源蜂鸣器
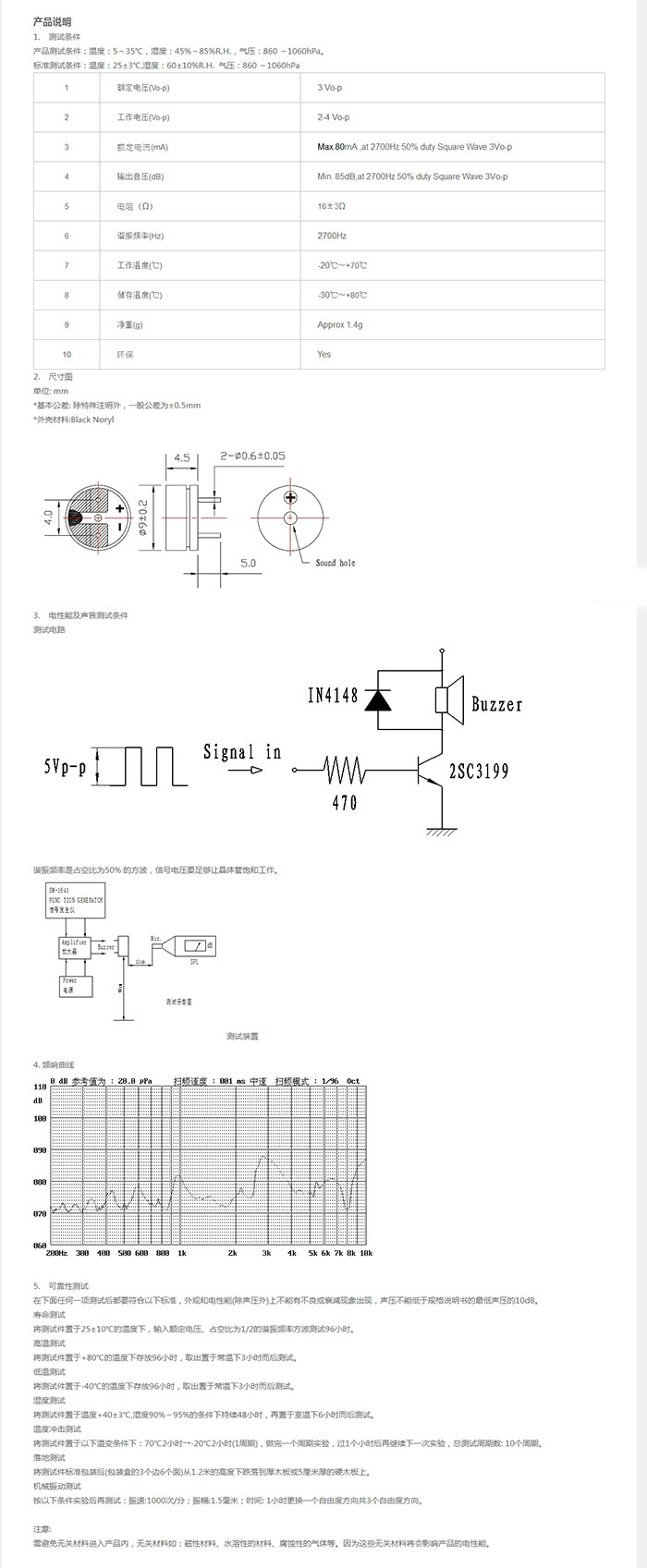
浏览:2238 发布日期:2018-11-30
上一篇:
电磁无源蜂鸣器
下一篇:
电磁无源蜂鸣器
公司简介
新闻动态
产品中心
企业文化
厂区一览
联系我们
扬州市广祥电子有限公司
联系方式:13952517873
地址:中国江苏扬州小纪镇人民路7号
备案号:
苏ICP备18002700号-3
公安备案:
苏公网安备32108802011143号